View all shapes

Rectangular Plate


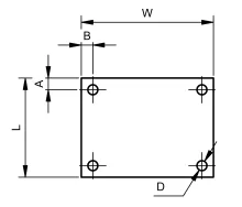
A metal rectangular footplate with four holes serves as a stable foundation for various structures and equipment. Typically crafted from durable materials like steel or aluminum, its rectangular shape offers balanced support, ideal for distributing weight evenly. The four holes strategically positioned in the corners allow for secure fastening to floors or surfaces using bolts or screws, enhancing stability and safety. This design feature also facilitates easy installation and removal when needed. The footplate's dimensions are usually standardized for compatibility with common industrial or construction applications, ensuring versatility across different projects. Its robust construction ensures resilience against heavy loads and external forces, making it reliable for long-term use in diverse settings such as machinery bases, scaffolding, or equipment stands. Overall, the metal rectangular footplate with four holes is a practical solution for anchoring structures securely while providing stability and support.

Attention: The 3D model shown here is only an example and is not based on your parameters.

Customize Rectangular Plate parameters

Input

mm
mm
mm
mm
mm

Output

Loading output...

Download

Log in or Subscribe to download unlimited patterns.

Subscribe now

Technical drawings

Rectangular Plate

Subscribe now

Only € 34,95 per year

Sheetmetal.dev is for subscribed members only. Membership can be purchased for a period of 1 year.

Subscribe now